中国粉体网讯 8月1日,朝阳市政府官网发布关于取消氧化铝项目的公告,因朝阳氧化铝项目正在进行园区环评公示征求意见期间市民提出不同意见,市政府决定取消该项目。涉及年产能1000万吨。
8月3日,凤城政府官网发布公告,当地的氧化铝项目“由于环保指标问题,已于今年5月停止实施”,涉及年产能600万吨。
8月4日,阜新太平区人民政府官网发布公告,决定停止正处于前期洽谈阶段的氧化铝项目。
8月4日,葫芦岛市南票区人民政府发布公告,政府就日前部分网民朋友关注的氧化铝项目进行了认真核实,区政府决定取消该项目,涉及产能4500吨。
8月5日,盖州市人民政府官网发布公告,根据《营口市人民政府关于取消大南山氧化铝项目的建议》,鉴于群众的愿望,盖州市政府决定取消大南山氧化铝项目。涉及年产能250万吨。
以上是近期被叫停的氧化铝项目,被叫停的原因很简单,即这些氧化铝项目会影响坏境。那么氧化铝生产过程中会产生哪些污染呢?

拜耳法生产氧化铝过程
氧化铝生产的方法有拜耳法、烧结法、联合法等,但目前95%的氧化铝都采用拜耳法生产。由上图可以看出,氧化铝生产过程中最大的污染是赤泥。除了赤泥之外也有其他的污染。

不同生产方法产生的污染物
一、什么是赤泥
铝土矿溶出后,形成赤泥和铝酸钠的混合浆液,浆液必须经过稀释才能沉降或过滤使赤泥和铝酸钠溶液分离,分离后从铝酸钠溶液中生产出氧化铝,赤泥需洗涤,降低Na2O、Al2O3通过赤泥附液途径的损失。该工序生产效能的大小和正常运行对产品质量、生产成本以及经济效益有着至关重要的影响。
分离赤泥一般经过的以下步骤:
赤泥浆液稀释
沉降分离
赤泥反向洗涤
粗液控制过滤

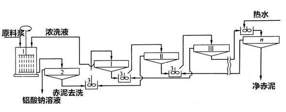
赤泥连续反向洗涤原则流程图
1—溶出浆液稀释搅拌槽;2—铝酸盐溶液与赤泥分离沉降槽;3—混合槽
Ⅰ、Ⅱ、Ⅲ、n……—洗涤沉降槽

拜耳法铝土矿溶出赤泥矿物组成
在拜耳法生产氧化铝的过程中,有的溶出后赤泥中含有大于150μm的粗颗粒称为砂。为了避免大颗粒赤泥在沉降槽、过滤机和管道中沉淀造成堵塞,破坏赤泥分离洗涤系统的正常操作,影响设备的作业率和产能,同时亦可减轻沉降槽的负荷。需要采用除砂工艺。
二、影响赤泥沉降分离的因素
1、矿物的形态
铝土矿的组成和化学成分是影响赤泥浆液沉降、压缩性能的主要因素。铝土矿中夹杂黄铁矿、胶黄铁矿、针铁矿、高岭石等矿物能降低赤泥沉降速度,因为他们含有较多Al(OH)4-、OH-、Na+及水分子;而赤铁矿、菱铁矿、磁铁矿、水绿钒等所生成的赤泥中吸附的Al(OH)4-、OH-、Na+及水分子少,所以有利于沉降。
针铁矿在高压溶出时完全脱水,生成高度分散的氧化铁,而在赤泥稀释和沉降过程中却又重新水化,变成胶态的亲水性很强的氢氧化铁,这就是针铁矿使赤泥沉降、压缩性能变坏的原因。
高岭石在溶出时生产亲水性很强的水合铝硅酸钠沉淀,因此,它的存在将使赤泥矿的沉降、压缩性能变差。
2、溶出浆液的稀释浓度
在一定的温度下苛性比值相同的铝酸钠溶液,氧化铝浓度低于25g/L或高于250g/L时,都有很高的稳定性,而中等浓度的(70~200g/L)的氧化铝溶液的稳定性较差。由于他们的稳定性的原因,无法直接分解。所以,一般用前一周期的赤泥洗涤液来进行稀释,稀释后溶液稳定性降低使分解速度加快,并且可以使赤泥洗涤液中的碱和氧化铝得以回收,达到较高的分解率,使拜耳法生产的循环效率提高。
但如果过度稀释溶液会使其稳定性急剧下降,造成铝酸钠溶液水解,而使赤泥中的氧化铝损失增大。
3、稀释浆液的温度
稀释浆液温度升高,其黏度和密度下降,因而赤泥沉降速率加快。浆料稀释时的温度在很大程度上影响铝酸钠溶液的稳定性,从而引起赤泥中氧化铝损失量的变化。由下图可知,为使较低浓度及低苛性比值的铝酸钠溶液在稀释后保持其稳定性,必须将溶液温度提高到94℃以上。

平衡铝酸钠溶液的苛性比值
4、絮凝剂的使用
赤泥沉降分离时,一般都需要添加絮凝剂来改善沉降槽溢流质量和底流的浓稠度,提高沉降速度增加沉降槽的产能和降低生产成本。添加絮凝剂是目前氧化铝生产上普遍采用且行之有效的加速赤泥沉降的方法。
良好的赤泥絮凝剂应具备的条件是:絮凝性能良好,用量少、水溶性好;经处理后的母液澄清度高,残留于母液中的有机物不影响后续氢氧化铝的分解;所生成的絮团能受剪切力;经沉降分离后,底流泥渣的过滤脱水性性能好,滤饼疏松;原料来源广,价格低廉等。
目前采用的絮凝剂有聚丙烯酸钠、聚丙烯酰胺等。






















